ベアリングが緩くなっているダイマグを修理するので、方法を検討します。

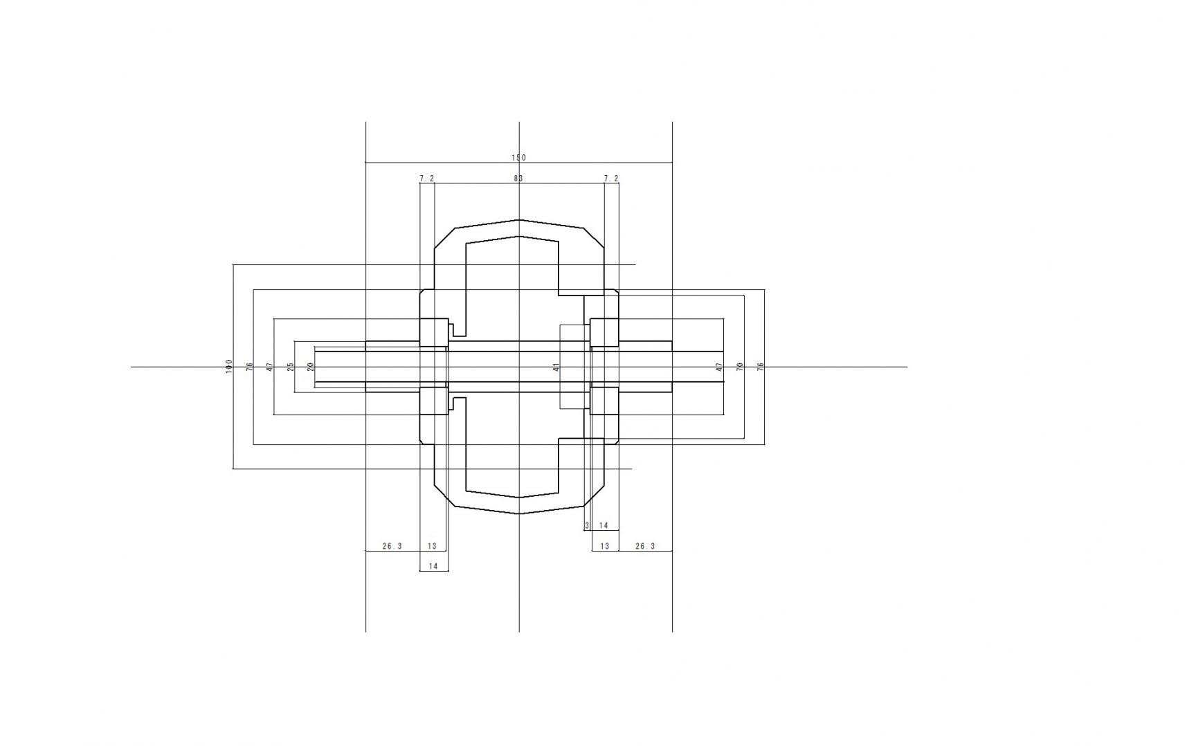
細かく採寸し現状を把握。少し大きなベアリングが使えないか、ベアリングのカタログを見ながら検討します。

右側はハブ周りの肉厚が十分あるので、削って大きなベアリングを入れることが可能です。

左側は少し複雑です。

ハブ内部を観察すると、ベアリングハウジングは別部品が圧入されているツーピース構造のようです。これだと少しの拡大では都合が悪そうです。

そこで、左側は大きく削り込んだ上で、右と同じ大径のベアリングを使えるようベアリングハウジングを製作して圧入することに。計画図を書くとこんな感じでなんとか成立しそうです。

焼き嵌めでハウジングを圧入することは、後々のメンテナンスで抜けてくるトラブルも考えられるのでできるだけ避けたい修理方法です。削りだけでベアリングサイズを大きくできるなら、その方が信頼性は高いです。

