フルオーダーしていたPENSKE(ペンスキー)のリヤショックが入荷したので取り付けます。
今回は、合わせてエンジンからの異音のチェックなども行います。
スクーデリアオクムラさんで特注したペンスキーがこちら。モトマーチンはラインナップに無く、取り付け実績も無いとのことで、仕様は全てこちらからオーダーしたものです。
外装を外します。
先日のロングツーリングで、雨の中も元気に走ったそうで、シート下の電装品も泥を被ってしまいました。これは対策します。
ファンネルを塞いでエアブローし、泥汚れを落とします。
既存のリヤショックを外します。こちらのショックは車両入手時に以前のショップが装着したそうで、オクムラさんによるとNSR250の純正品らしいとのこと。バネレートもダンパーも結構合っていたので、オクムラさんでバネレートと減衰のデータを計測していただき、仕様決定の参考にしました。
今回のペンスキーは最上級モデルのリモートリザーバータイプです。圧側減衰力調整は、高速側と低速側が独立しているタイプ。
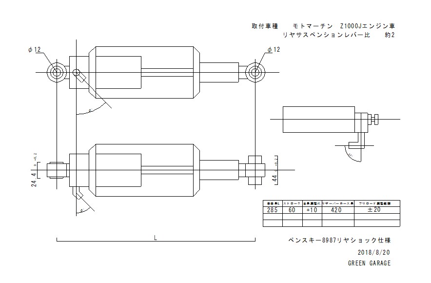
全長などの寸法やリザーバーホース関係の仕様はこんな感じでオーダーしています。
フレーム側の取り付けはこんな感じ。
スイングアーム側はこんな感じ。
リザーバーはこんな感じ。
圧側減衰ダイヤルは高速低速の2系統。
完成品のセッティングデータはこちら。
マウント用のボルトは、車体側に合わせてM12の高強度ボルトを準備しました。
ショックを組み込みます。
スイングアーム側のボルトは少し長く、フレームに干渉しそうなのでカットします。
15ミリほどカットします。
これで大丈夫。
リザーバーは予定通りこの位置に設置。
カウルを付けても、圧側減衰調整可能です。
伸び側減衰調整と車高調はこちら。
フレーム側マウントはこんな感じです。
PENSKEの詳細はこちら
http://www.scuderia-okumura.com/html/products_penske_shocks.html

























