弊社のS1ローターを取り付けるため、既存のダイマグホイールを加工します。その設計が済んだのでご紹介します。

フロントホイールハブとインナーローター周りの断面図がこちら。弊社のS1ローターを実装するため、ドッキング部の形状を検討し、ここから子部品の図面とホイールの追加工図を起こします。

現状のフロントホイールはこちら。ホイールにベアリングが入る通常の形です。これの真ん中をぶち抜いて空洞にします。ホイールベアリングはインナーローター側に設けます。

フロントハブの追加工図がこちら。真ん中を大きくくりぬき、ローター取り付けのPCDを変更するためにネジ穴を新設します。ほぼ、ダイマグのラージハブの形状と同じになります。

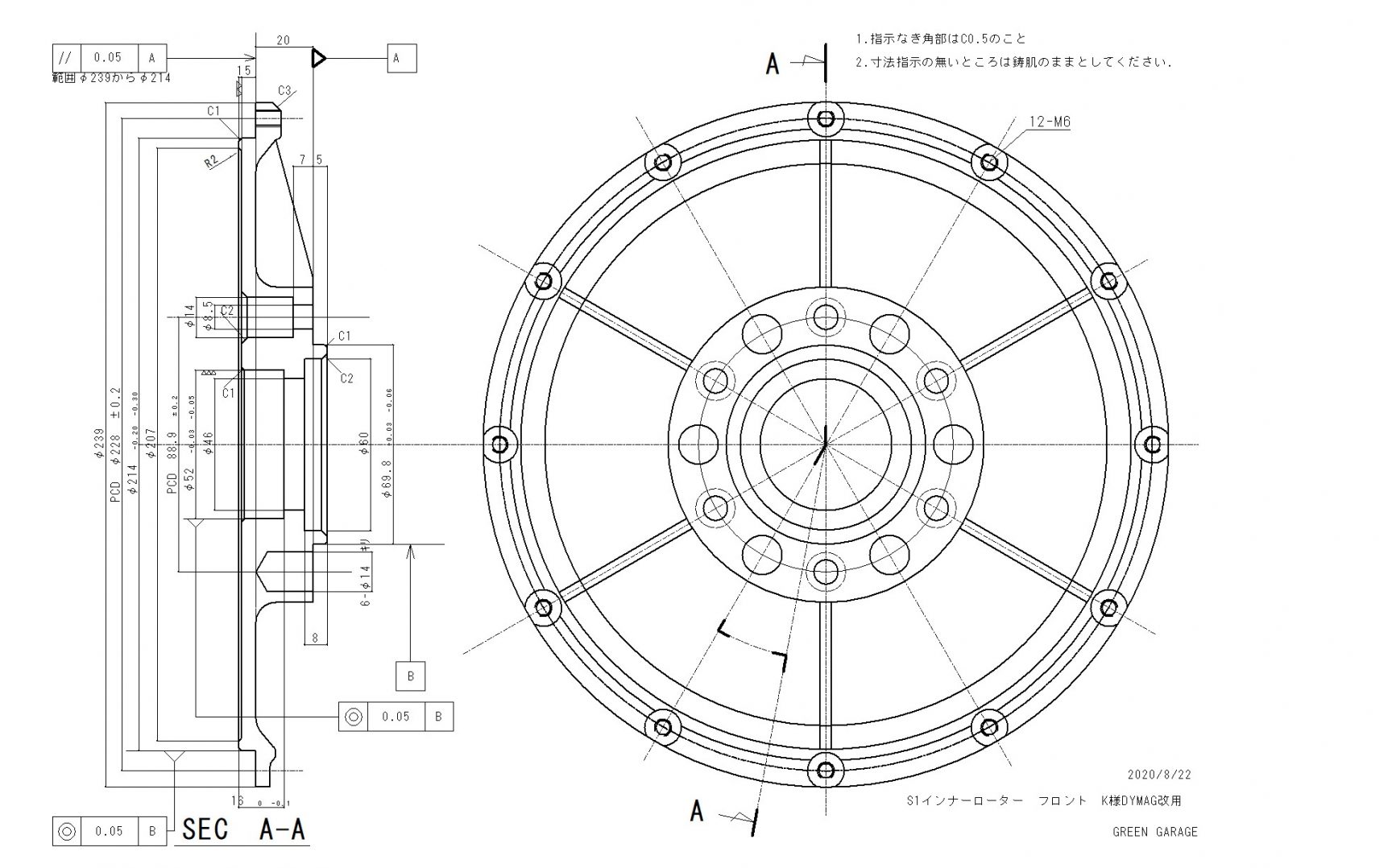
フロントインナーローターはこちら。基本形状は踏襲し、ホイールとの合わせ部分を新規に設計しました。

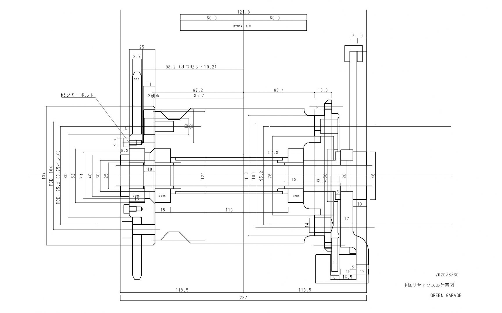
続いてリヤアクスル周りの計画図です。スイングアームの内幅に対し、ホイールのセンターを合わせ、スプロケキャリヤ、リヤローターなどをレイアウトします。

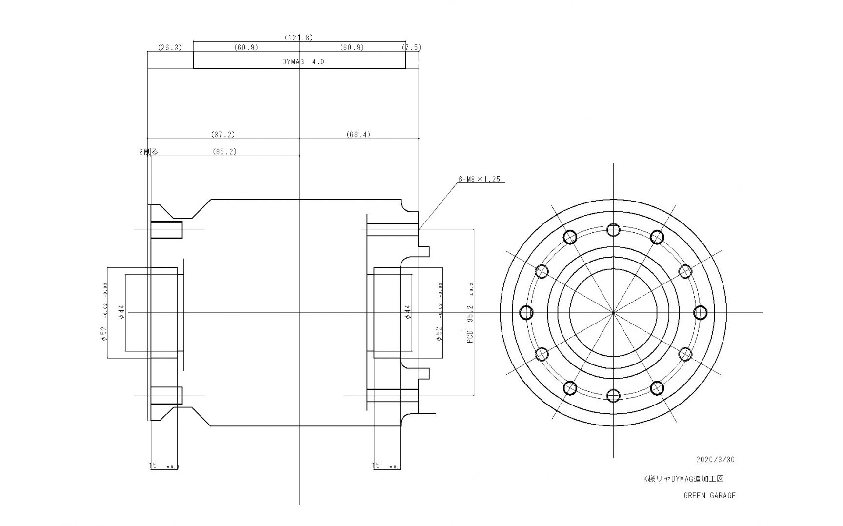
リヤホイールはこちら。現状はハブダンパーを持たない構造です。ベアリングホールも摩耗して緩くなっているので一緒に修理します。

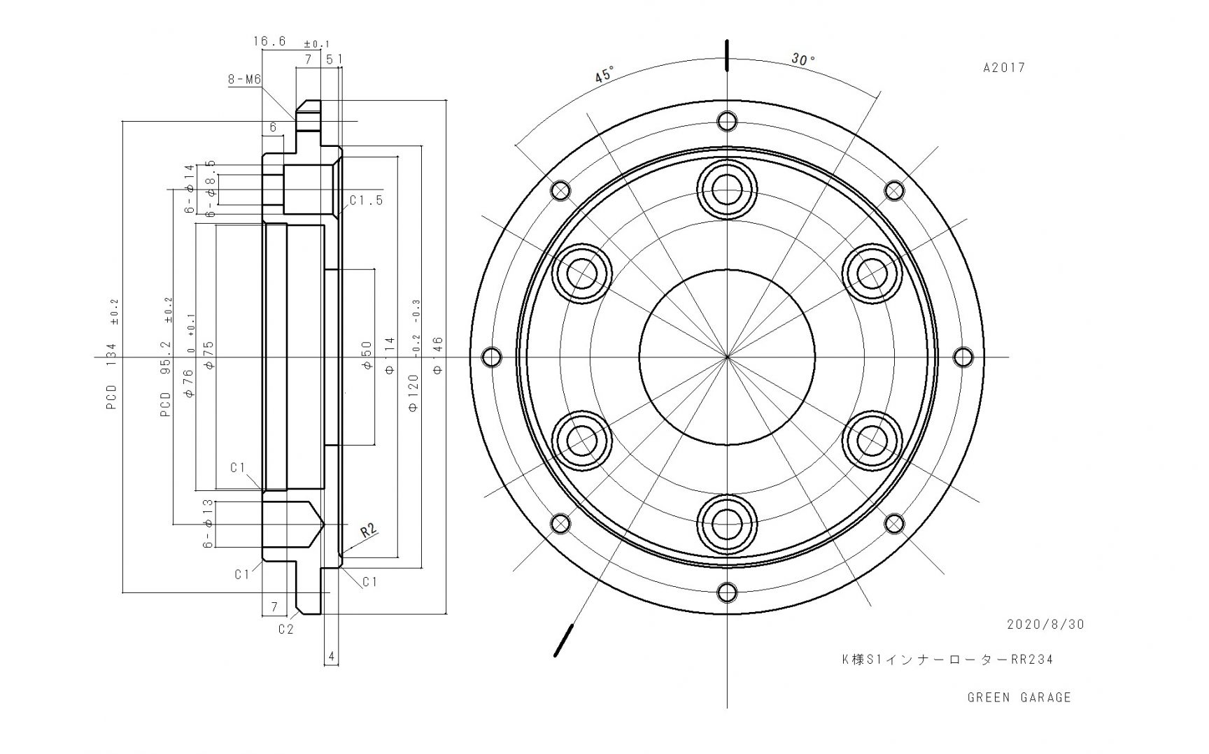
リヤハブ周りの追加工図がこちら。左右のベアリングホールは拡大してより大きなサイズのベアリングを使用します。こちらもインナーローターの取り付けPCDを変更するのでネジ穴を新設します。

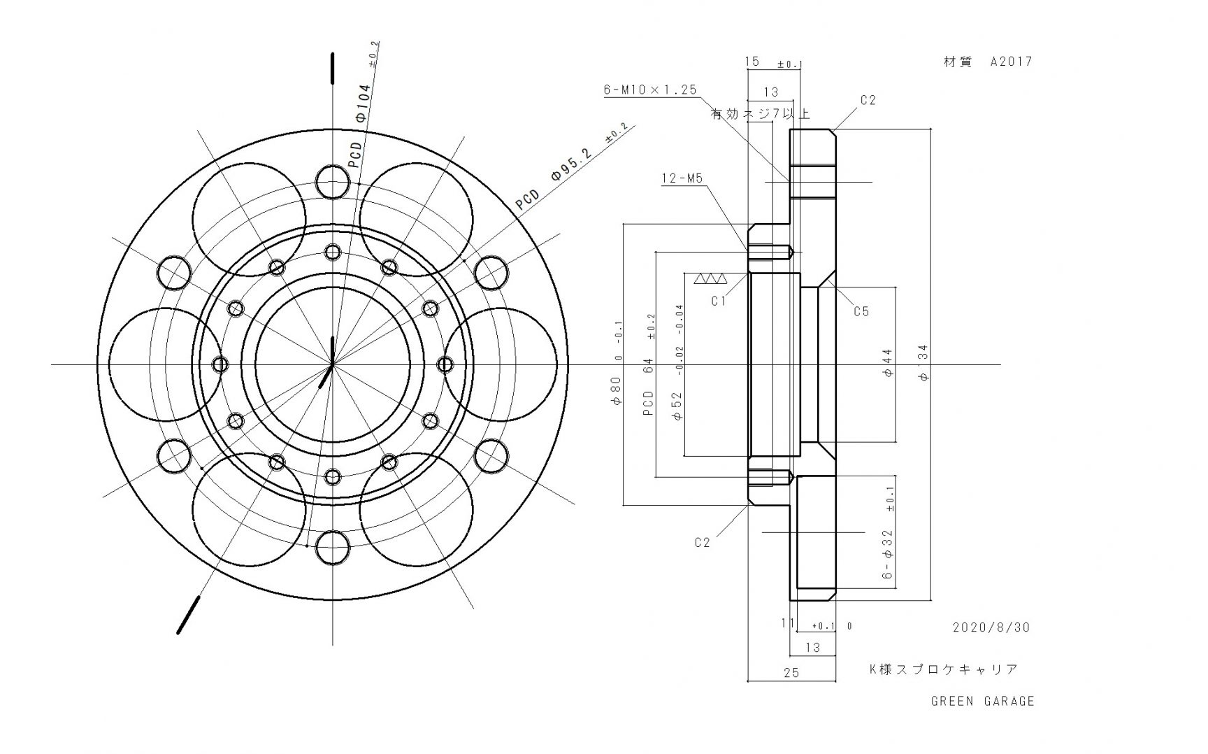
ハブダンパー内臓式のスプロケキャリアはこちら。現行のダイマグホイールのキャリアと同様の構成です。S1のスプロケキャリア風に、こちらはダミーのボルトも12個配置しました。スプロケの規格はZ1000R純正ホイールやモーリスと同じピッチを採用。チェーンラインは10ミリオフセットされます。

リヤインナーローターはこちら。ローターのオフセットは、スイングアームのトルクロッド受けの位置から逆算して設定します。

S1スイングアームの修理用の部品もできてきました。

クラックが入ったエキセントリックハウジングを切り取ってまるごと交換します。


